Микродвигатели и комлектующие: Микродвигатели


| МОДЕЛЬ |
НАПРЯЖЕНИЕ |
ЧАСТОТА |
ВЫХОДНАЯ МОЩНОСТЬ |
ВХОДНАЯ МОЩНОСТЬ |
ТОК |
СКОРОСТЬ |
ВЕС |
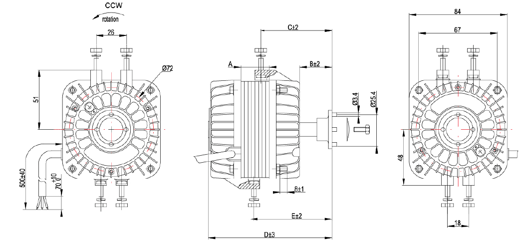
A |
B |
C |
D |
E |
| В |
Гц |
Вт |
Вт |
A |
об/мин |
Кг |
мм |
мм |
мм |
мм |
мм |
| YZF45L13P4-3 |
1 ~ 230±5% |
50/60 |
3 |
20 |
0,15 |
1300 |
0,8 |
13 |
13,5 |
48 |
78 |
48 |
| YZF45L13P4-5 |
1 ~ 230±5% |
50/60 |
5 |
29 |
0,20 |
1300 |
0,8 |
13 |
13,5 |
48 |
78 |
48 |
| YZF45L20P4-7 |
1 ~ 230±5% |
50/60 |
7 |
31 |
0,23 |
1300 |
1,1 |
19 |
15 |
49,5 |
85 |
55,5 |
| YZF45L20P4-10 |
1 ~ 230±5% |
50/60 |
10 |
36 |
0,25 |
1300 |
1,1 |
19 |
15 |
49,5 |
85 |
55,5 |
| YZF45L25P4-16 |
1 ~ 230±5% |
50/60 |
16 |
60 |
0,45 |
1300 |
1,4 |
25 |
19 |
54 |
94 |
66 |
| YZF45L30P4-18 |
1 ~ 230±5% |
50/60 |
18 |
70 |
0,50 |
1300 |
1,5 |
30 |
15,5 |
51 |
97 |
68,5 |
| YZF45L30P4-23 |
1 ~ 230±5% |
50/60 |
23 |
82 |
0,62 |
1300 |
1,6 |
30 |
15,5 |
51 |
97 |
68,5 |
| YZF45L40P4-25 |
1 ~ 230±5% |
50/60 |
25 |
90 |
0,70 |
1300 |
1,8 |
40 |
21,5 |
57 |
112 |
85 |
| YZF45L45P4-34 |
1 ~ 230±5% |
50/60 |
34 |
110 |
0,85 |
1300 |
2,0 |
45 |
21,5 |
57 |
117 |
90 |
Параметры крыльчаток
| МОДЕЛЬ |
ДИАМЕТР |
УГОЛ |
ВХОДНАЯ МОЩНОСТЬ |
СКОРОСТЬ |
РАСХОД ВОЗДУХА |
ТЕМП. |
| мм |
° |
Вт |
об/мин |
м³/ч |
°С |
| YZF45L13P4-3 |
172 |
28 ° |
20 |
1392 |
270 |
-25 ~ +75 |
| 31 ° |
20,6 |
1370 |
295 |
-25 ~ +75 |
| YZF45L13P4-5 |
200 |
28 ° |
25 |
1354 |
375 |
-25 ~ +65 |
| 34 ° |
27 |
1338 |
440 |
-25 ~ +65 |
| YZF45L20P4-7 |
230 |
25 ° |
26 |
1395 |
450 |
-25 ~ +70 |
| 28 ° |
27 |
1360 |
500 |
-25 ~ +65 |
| YZF45L20P4-10 |
230 |
28 ° |
34 |
1392 |
540 |
-25 ~ +60 |
| 34 ° |
38 |
1352 |
720 |
-25 ~ +55 |
| 254 |
25 ° |
39 |
1330 |
780 |
-25 ~ +55 |
| YZF45L25P4-16 |
254 |
25 ° |
51 |
1395 |
850 |
-25 ~ +55 |
| 34 ° |
55 |
1350 |
950 |
-25 ~ +50 |
| YZF45L30P4-18 |
254 |
28 ° |
58 |
1390 |
920 |
-25 ~ +50 |
| 300 |
22 ° |
60 |
1345 |
1 000 |
-25 ~ +45 |
| 25 ° |
62 |
1320 |
1 080 |
-25 ~ +45 |
| YZF45L30P4-23 |
300 |
22 ° |
70 |
1370 |
1 100 |
-25 ~ +45 |
| 25 ° |
74 |
1330 |
1 100 |
-25 ~ +45 |
| YZF45L40P4-25 |
300 |
22 ° |
77 |
1390 |
1 150 |
-25 ~ +45 |
| 25 ° |
80 |
1350 |
1 200 |
-25 ~ +45 |
| 28 ° |
85 |
1310 |
1 420 |
-25 ~ +40 |
| YZF45L45P4-34 |
300 |
22 ° |
83 |
1400 |
1 200 |
-25 ~ +45 |
| 25 ° |
85 |
1375 |
1 250 |
-25 ~ +40 |
| 28 ° |
90 |
1340 |
1 500 |
-25 ~ +40 |

Заказать
обратный звонок