


| МОДЕЛЬ | L | ВЫХОДНАЯ МОЩНОСТЬ (Вт) | СКОРОСТЬ (об/мин) | ТОК | ВЕС (кг) |
| EC3501 | 22,8 | 7,35 | 1350 | 0,14 | 0,54 |
| EC3502 | 22,8 | 14,7 | 1350 | 0,28 | 0,55 |
| EC3503 | 28,8 | 22 | 1350 | 0,41 | 0,80 |
1. ОПИСАНИЕ ПРОДУКТА:
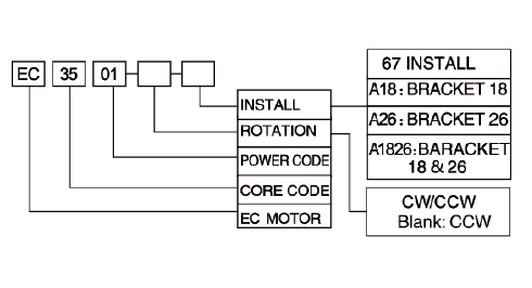
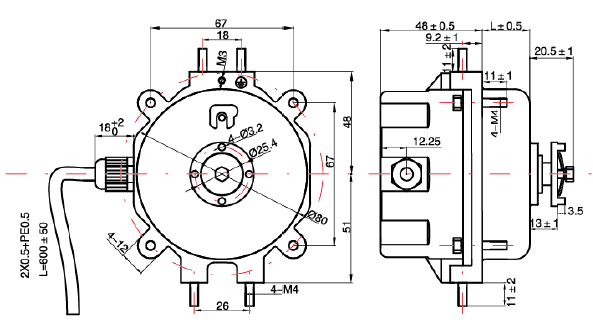
Энергосберегающий двигатель серии EC35 изготовлен из пластика и алюминиевого сплава. Комплект включает: заднюю крышку, высокоэффективный постоянный бесщеточный магнит низкой мощности, уровень защиты IP55, рабочая температура -20oC - + 50oC. Двигатель может устанавливаться тремя различными способами. Используется вместо двигателей с экранированными полюсами.
Общие возможности:
1) Двигатель с постоянным магнитом, бесщеточный, постоянный ток, низкий уровень вибрации, меньший уровень шума, больше эффективность по сравнению с международными требованиями.
2) Двигатель с двойной изоляцией, более безопасный.
3) Двигатель с функцией регулирования напряжения, подходящий диапазон напряжения более широкий переменный ток, 230 В ± 10%, 50-60 Гц.
4). Двигатель с подшипниками низкого уровня шума, долговечный, стабильное качество.
5). Двигатель с защитой от перегрузки напряжения, перегрузки тока и тепловой перегрузки во время работы. Если возникает любая ситуация перезапуска, пожалуйста проверьте, имеется ли перегрузка по одному из параметров.
6). Двигатель с защитой запуска и блокировки.
| КРЫЛЬЧАТКА | ДВИГАТЕЛЬ EC3501 | ДВИГАТЕЛЬ EC3501 | |||||
| ДИАМЕТР | УГОЛ | ВХОДНАЯ МОЩНОСТЬ | СКОРОСТЬ | РАСХОД ВОЗДУХА | ВХОДНАЯ МОЩНОСТЬ | СКОРОСТЬ | РАСХОД ВОЗДУХА |
| мм | ° | Вт | об/мин | м³/ч | Вт | об/мин | м³/ч |
| Ø145 | 34 ° | 5 | 1700 | 7,2 | 1960 | ||
| Ø175 | 34 ° | 6,5 | 1630 | 9,5 | 1887 | ||
| Ø200 | 28 ° | 8,8 | 1516 | 460 | 13 | 1788 | 600 |
| Ø200 | 34 ° | 9,5 | 1490 | 570 | 14 | 1754 | 700 |
| Ø230 | 31 ° | 11,5 | 1390 | 620 | 17,5 | 1650 | 750 |
| Ø250 | 25 ° | 13 | 1325 | 660 | 20 | 1580 | 930 |
| Ø250 | 34 ° | 26,5 | 1392 | 1170 | |||
| Ø300 | 22 ° | 26,5 | 1392 | 1350 | |||
| Ø300 | 25 ° | ||||||
| Ø300 | 28 ° | ||||||
| Ø300 | 31 ° | ||||||
Примечание: Температура окружающей среды 10oC, входящая мощность и скорость испытаны в режиме свободной циркуляции воздуха. Объем воздуха Q вычисляется, когда давление воздуха равно нулю.