Киев,
Черноморская 1
(044)
501-57-30
Toggle navigation
О компании
Сеть продаж
Продукция
Осевые вентиляторы
Вентиляторы для воздухоохладителей
Микродвигатели и комлектующие
Центробежные вентиляторы
ЕС Вентиляторы
Каталог
Контакты
Искать
Микродвигатели и комлектующие: Подставки
Осевые вентиляторы
Вентиляторы для воздухоохладителей
Вентиляторы для воздухоохладителей LF2
Микродвигатели и комлектующие
Микродвигатели
Микродвигатели EC35
Крыльчатки
Защитные решетки
Кольца
Подставки
Центробежные вентиляторы
AC Центробежные вентиляторы с назад загнутыми лопостями
AC Центробежные вентиляторы с вперед загнутыми лопостями
ЕС Вентиляторы
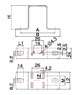
ТИП
H
A
B
L1
L2
M
H39
39
78
100
14
-
-
H55
55
81
106
13
-
-
H72
72
81
106
13
-
-
H84
84
81
106
20
-
-
H109-1
109
81
106
14
-
-
H109-2
109
78
100
14
39
21
H109-3
109
78
100
14
49
29
Заказать
обратный звонок
Введите номер телефона
Сообщение отправлено