


| МОДЕЛЬ | НАПРЯЖЕНИЕ | ЧАСТОТА | МОЩНОСТЬ | СКОРОСТЬ | ТОК | ДАВЛЕНИЕ | ТЕМП, | ƞ sf | ЕФФ | ШУМ | ВЕС |
| В | Гц | Вт | об/мин | A | Па | °С | % | N | дБ(A) | Кг | |
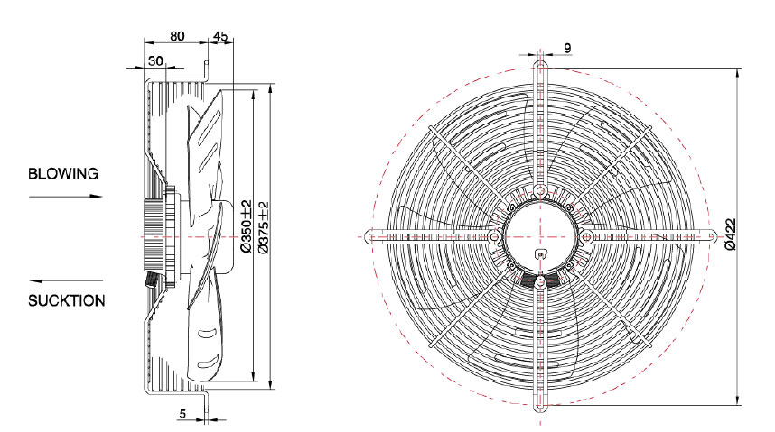
| PMDWF84L40P6-422N-350 | 1 ~ 230±10% | 50/60 | 220 | 1580 | 1,00 | 140 | -25 ~ +65 | 29,90 | 40,7 | 68 | 4,7 |
| СКОРОСТЬ | МОЩНОСТЬ | ТОК | |
| об/мин | Вт | A | |
| ① | 1580 | 160 | 0,73 |
| ② | 180 | 0,82 | |
| ③ | 210 | 0,95 | |
| ④ | 1300 | 87 | 0,41 |
| ⑤ | 100 | 0,47 | |
| ⑥ | 112 | 0,52 | |
| ⑦ | 1000 | 45 | 0,24 |
| ⑧ | 50 | 0,25 | |
| ⑨ | 54 | 0,27 |