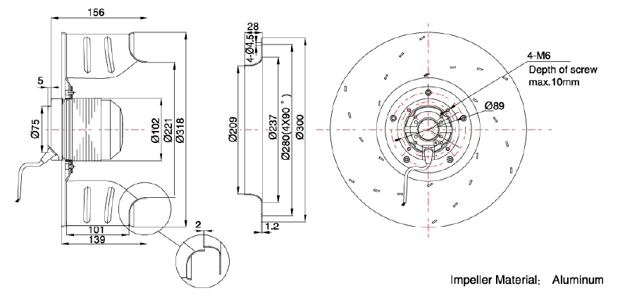
Центробежные вентиляторы диаметром d 315


| МОДЕЛЬ |
НАПРЯЖЕНИЕ |
ЧАСТОТА |
КОНДЕНСАТОР |
ГРАФИК |
МОЩНОСТЬ |
СКОРОСТЬ |
ТОК |
ТЕМП. |
ШУМ |
ВЕС |
| В |
Гц |
µF/450V |
№ |
Вт |
об/мин |
A |
°С |
дБ(A) |
Кг |
| YDWF74L34P4-B315X139 |
1~230 |
50 |
4 |
Ⓐ |
158 |
1362 |
0,70 |
-25 ~ +80 |
59 |
3,4 |
| YDWF74L34P6-B315X139 |
1~230 |
50 |
4 |
Ⓑ |
78 |
928 |
0,35 |
-25 ~ +85 |
50 |
3,4 |
| 60 |
Ⓒ |
98 |
1076 |
0,46 |
-25 ~ +85 |
53 |
| YSWF74L34P4-B315X139 |
1~230 |
50 |
--- |
Ⓓ |
156 |
1359 |
0,35 |
-25 ~ +80 |
85 |
3,4 |
| YSWF74L34P6-B315X139 |
1~230 |
50 |
--- |
Ⓔ |
80 |
937 |
0,25 |
-25 ~ +85 |
50 |
3,4 |
| 60 |
Ⓕ |
92 |
1078 |
0,22 |
-25 ~ +85 |
53 |

Заказать
обратный звонок