

| МОДЕЛЬ | НАПРЯЖЕНИЕ | ЧАСТОТА | КОНДЕНСАТОР | ГРАФИК | МОЩНОСТЬ | СКОРОСТЬ | ТОК | ТЕМП. | ШУМ | ВЕС | ВЫХОД А |
| В | Гц | µF/450V | № | Вт | об/мин | A | °С | дБ(A) | Кг | мм² | |
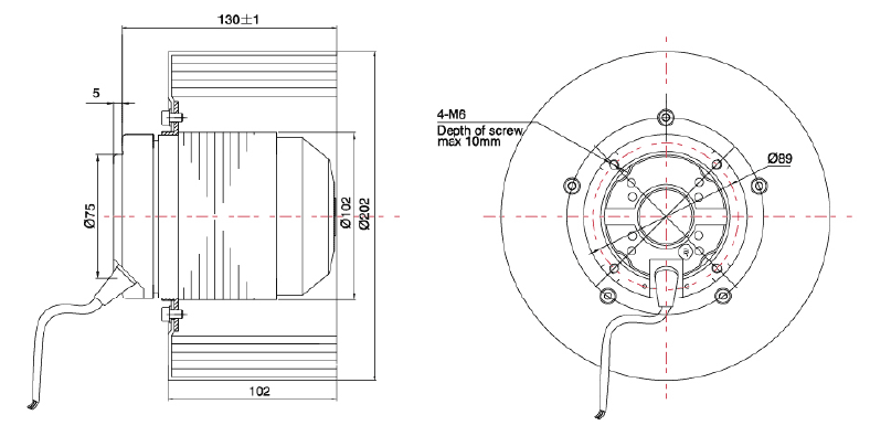
| YSWF74L60P4-F200X102 | 3~400 | 50 | --- | Ⓐ | 285 | 1360 | 0,58 | -25 ~ +60 | 69 | 4,2 | 13140 |
| 60 | Ⓑ | 360 | 1590 | 0,65 | -25 ~ +55 | 69 | |||||
| YDWF74L60P4-F200X102 | 1~230 | 50 | 8 | Ⓒ | 280 | 1330 | 1,20 | -25 ~ +60 | 69 | 4,2 | |
| 60 | Ⓓ | 350 | 1460 | 1,55 | -25 ~ +55 | 69 |