

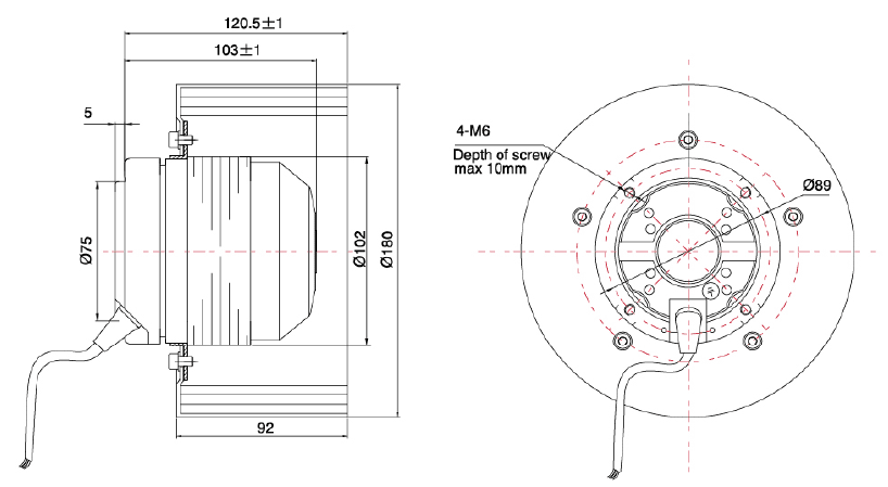
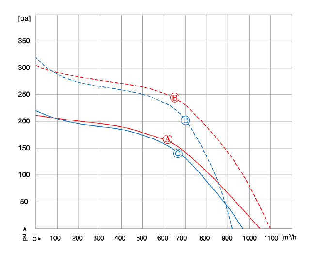
| МОДЕЛЬ | НАПРЯЖЕНИЕ | ЧАСТОТА | КОНДЕНСАТОР | ГРАФИК | МОЩНОСТЬ | СКОРОСТЬ | ТОК | ТЕМП. | ШУМ | ВЕС | ВЫХОД А |
| В | Гц | µF/450V | № | Вт | об/мин | A | °С | дБ(A) | Кг | мм² | |
| YSWF74L34P4-F180X92 | 3~400 | 50 | --- | Ⓐ | 175 | 1330 | 0,40 | -25 ~ +60 | 67 | 3,2 | 12060 |
| 60 | Ⓑ | 240 | 1440 | 0,45 | -25 ~ +55 | 69 | |||||
| YDWF74L34P4-F180X92 | 1~230 | 50 | 4 | Ⓒ | 160 | 1220 | 0,72 | -25 ~ +55 | 66 | 3,2 | |
| 60 | Ⓓ | 197 | 1200 | 0,88 | -25 ~ +40 | 65 |