


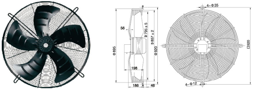
| МОДЕЛЬ | НАПРЯЖЕНИЕ | ЧАСТОТА | РАСХОД ВОЗДУХА | СКОРОСТЬ | МОЩНОСТЬ | ТОК | ШУМ | ВЕС |
| В | Гц | м³/ч | об/мин | Вт | A | дБ(A) | Кг | |
| YSWF127L65P4-920N-800 | 380 | 50 | 27 200 | 1400 | 1600 | 3,2 | 88 | 28 |
| YSWF127L65P6-920N-800 | 380 | 50 | 21 500 | 920 | 1100 | 2,4 | 83 | 27 |
| 60 | 23 800 | 1060 | 1370 | 2,57 | 85 | |||
| YSWF127L80P6-920N-800 | 380 | 50 | 24 300 | 930 | 1400 | 3,4 | 84 | 31 |
| 60 | 26 000 | 1070 | 1750 | 3,45 | 87 | |||
| YSWF127L65P8-920N-800 | 380 | 50 | 17 200 | 680 | 650 | 1,5 | 75 | 27 |
| 60 | 19 000 | 805 | 820 | 1,52 | 77 |