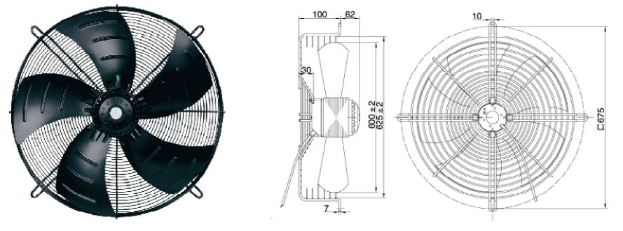
Осевые вентиляторы диаметром φ 600



| МОДЕЛЬ |
НАПРЯЖЕНИЕ |
ЧАСТОТА |
РАСХОД ВОЗДУХА |
СКОРОСТЬ |
МОЩНОСТЬ |
ТОК |
КОНДЕНСАТОР |
ШУМ |
ВЕС |
| В |
Гц |
м³/ч |
об/мин |
Вт |
A |
µF/450V |
дБ(A) |
Кг |
| YDWF102L60P4-675N-600 |
220 |
50 |
11 800 |
1380 |
710 |
3,3 |
20 |
76 |
13,5 |
| 60 |
13 500 |
1600 |
843 |
3,85 |
80 |
| YSWF102L60P4-675N-600 |
380 |
50 |
11 800 |
1380 |
700 |
1,45 |
/ |
76 |
13,5 |
| 60 |
13 500 |
1649 |
840 |
1,43 |
80 |
| YDWF102L60P6-675N-600 |
220 |
50 |
9 450 |
930 |
410 |
1,9 |
12 |
71 |
13,5 |
| 60 |
10 500 |
100 |
480 |
2,2 |
74 |
| YSWF102L60P6-675N-600 |
380 |
50 |
9 450 |
930 |
410 |
1,1 |
/ |
71 |
13,5 |
| 60 |
10 500 |
1070 |
510 |
1,01 |
74 |
| YDWF102L60P8-675N-600 |
220 |
50 |
7 400 |
690 |
265 |
1,3 |
10 |
68 |
13,5 |
| 60 |
8 600 |
820 |
340 |
1,62 |
70 |

Заказать
обратный звонок